Ambient RGB LED Lamp
I started messing around with microcontrollers a few months ago, and after much tinkering I've finally finished my first PCB. I've already sent it off to get fabbed, but I was hoping to get some feedback here that I can perhaps apply to my future boards.
This board will be a part of an Ambient RGB LED Lamp, and uses an SX28-DIP. The LED's will be mounted on the outer corners, pointing slightly toward the center. Each corner can be a different color, with the intention of being able to control the color of different sides of the lamp independently. Here is a mockup:

I had to use two darlington arrays because the LED's would be pulling too much current when all lit. I added two extra connectors (EX1 & EX2) for the unused circuits on the darlington arrays to facilitate future tinkering.
With the pic below, I've superimposed the bottom copper layer, so that you can follow the traces. (Note that the caps and one connector are missing from the image below. Ignore that part)

As you can see, the bottom layer is mostly ground plane.
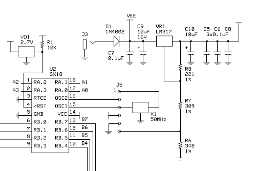
Here is the schematic:

Any thoughts?
This board will be a part of an Ambient RGB LED Lamp, and uses an SX28-DIP. The LED's will be mounted on the outer corners, pointing slightly toward the center. Each corner can be a different color, with the intention of being able to control the color of different sides of the lamp independently. Here is a mockup:

I had to use two darlington arrays because the LED's would be pulling too much current when all lit. I added two extra connectors (EX1 & EX2) for the unused circuits on the darlington arrays to facilitate future tinkering.
With the pic below, I've superimposed the bottom copper layer, so that you can follow the traces. (Note that the caps and one connector are missing from the image below. Ignore that part)

As you can see, the bottom layer is mostly ground plane.
Here is the schematic:

Any thoughts?

Comments
Ahh. I also tried clicking on them as they appear to be links. However, at work it is restricted me from viewing them as your site is not a "business related site" - Websense.
a really nice design, here some remarks:
- When possible, the OSC1 and OSC2 traces should be as short as possible to avoid generation of EMI. In your design, you have located the SX-Key header on the opposite side of the SX package. It would be a better idea to place it on the other side, close to the crystal, and the OSC1/OSC2 pins.
- To avoid EMI, it is important to place a filter cap (e.b. 100 nF multi-layer ceramic) as close as possible to and between the Vdd and Vss pins of the SX28.
- Maybe, it is an idea to place a third pad connected to Vss between the two pads for the xtal - this would allow you to alternatively install a ceramic resonator.
- In general, input pins should not remain floating, so you may add an extra pull-up resistor for the RTCC input (10kOhm would be fine).
- You may consider placing a diode (any 1N400?) in series with the input supply (anode to the connector, cathode to the regulator) to protect the board against wrong supply polarity.
- Depending on the type of regulator you plan to use, two additional 100 nF caps between the IN and GND pins, and between the OUT and GND pins may be required to avoid unwanted oscillation.
▔▔▔▔▔▔▔▔▔▔▔▔▔▔▔▔▔▔▔▔▔▔▔▔
Greetings from Germany,
G
It works fine for me. But then I'm the IT manager so "I" get to decide what is a business site and what is not.
My only suggestion is that you should have some caps on either side of the xtal to ground. And I would put a 0.1uF cap on Vcc and Vss as close to the SX chip as possible.
Bean.
▔▔▔▔▔▔▔▔▔▔▔▔▔▔▔▔▔▔▔▔▔▔▔▔
My goal is to live forever...Or die trying.
- - - - - - - - - - - - - - - - - - - - - - - - - - - - - - -
www.hittconsulting.com
·
First, the board has a really nice looking layout.
Three thoughts:
1 - Don't be surprised if the power connector holes are really big compared to the leads going into them. IT appears that the plug footprint follows the manufacturer's datasheet specs. The first time I used a coaxial power plug, I followed the datasheet for the suggested hole size and found them to be way to big. I have since made them smaller so I don't have to fill the gap with a ton of solder.
2 - You might consider changing the LED silkscreen outline. I use one that has a flat side near one lead so it's easy to get the orientation right when stuffing the board.
3 - Consider putting some text near the SX and Prop headers that indicate which way to install the SX and Prop keys. It's easy to put them in backwards and damage the keys. I always put the text "SX-Key Front" or "Sx-Key Back" on one side of the 4 pin headers so I know how to plug it in weeks, months, or even years from now without looking at the schematic.
Thanks,
PeterM
-Phil
That's a very neat idea about the removable jumper! Is that 4 or 5 pins? Any schematics or drawings you can post?
-Phil
It seems I'm running into some stability issues when I run off of the external crystal. Not a huge deal at the moment, because the internal oscillator is plenty fast for making pretty colors. Curiously, the external crystal DOES work when I have the SX-Blitz attached! Hopefully this won't be a problem on the updated layout.
I've taken the advice I've read in this post and also my experience with the board I got back and come up with the following improved design. About the only advice I haven't taken is the advice about which side of the chip to put the SX Key port on, because it seemed to lead to a rather inconvenient layout.
I plan on fabbing a few of these for presents for christmas. I'll be sending off the design early next week. (If anyone else wants a board as well, let me know and I'll add it to the batch. $15 is what it costs per board)
▔▔▔▔▔▔▔▔▔▔▔▔▔▔▔▔▔▔▔▔▔▔▔▔
There's nothing like a new idea and a warm soldering iron.
Post Edited (pwillard) : 11/3/2007 1:39:53 AM GMT
Rick
rick: I'll take another look at the board and see if I can provide some more clearance around the various parts, but things are pretty tight as they are---I'm not sure I'll be able to make much of a difference. Oops, I got a bit confused. You were referring to the power plug footprint. I'm leaving the footprint alone, big holes are good for those connectors. [noparse]:)[/noparse]
Post Edited (darco) : 11/3/2007 5:44:59 AM GMT
▔▔▔▔▔▔▔▔▔▔▔▔▔▔▔▔▔▔▔▔▔▔▔▔
There's nothing like a new idea and a warm soldering iron.
How is the design being controlled? Is the control of colors a critical timing issue?
▔▔▔▔▔▔▔▔▔▔▔▔▔▔▔▔▔▔▔▔▔▔▔▔
There's nothing like a new idea and a warm soldering iron.
Bean
▔▔▔▔▔▔▔▔▔▔▔▔▔▔▔▔▔▔▔▔▔▔▔▔
- - - - - - - - - - - - - - - - - - - - - - - - - - - - - - -
www.hittconsulting.com
·
I also moved the SX Key header to the other side of the chip, as was suggested.
Regarding the crystal: I want to be able to control the lamp via the prop-plug port, so I figured that I needed the extra precision of a crystal in order to get the timing right. Without computer control, the internal oscillator is plenty fast enough to smoothly run the lamp.
Just in case, I added the extra bits to the board to allow for a crystal or resonator.
The SX chip will be socketed.
They are in the order or 0.1%, where the internal is 8%
Bean.
▔▔▔▔▔▔▔▔▔▔▔▔▔▔▔▔▔▔▔▔▔▔▔▔
- - - - - - - - - - - - - - - - - - - - - - - - - - - - - - -
www.hittconsulting.com
·
Bean, so internal is not accurate enough for serial communications? The crystal is more accurate? What about power consumption? What about cost?
Basic rough costs in order of accuracy:
resonator = $0.50
crystal = $1.00-$2.00··· (you still need to buy capacitors to go with it)
oscillator = $2.00-$5.00 (will interfere with sx programmer most likely)
▔▔▔▔▔▔▔▔▔▔▔▔▔▔▔▔▔▔▔▔▔▔▔▔
There's nothing like a new idea and a warm soldering iron.
Do you have any code for the board? Tell me your plans on the board and what you will be using it for. Plans to use it alone or controlling from the serial port?
Thanks,
kevin
▔▔▔▔▔▔▔▔▔▔▔▔▔▔▔▔▔▔▔▔▔▔▔▔
A few more pictures are on my blog post.
Post Edited (deSilva) : 11/10/2007 7:06:13 AM GMT