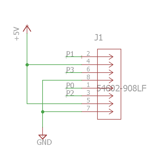
BUS45 (RJ45 in POE Config with 5VDC power) for P1 & P2 accessories
in Accessories
Liking the pinout learned from @refaQtor for PLC use for connecting accessories or something.
Came up with "BUS45" cause think it needs a name...
It is RJ45 connector with wiring like for POE (power over ethernet). But, the power is fixed at +5VDC and provided by the host.
Had ChatGPT make a logo for Bus45. Think it's good.

Comments
Maybe the one downside to this setup is that the four data pins are in two twisted wires…. So, probably only good for digital or slow filtered analog.
But, expecting only digital usage over relatively short throws so should be fine.